整流橋模塊的內部結構分析
晶閘管的工作原理
我們的實力
- 關于我們
- 黃山市振億電子有限公司坐落在舉世聞名的黃山腳下,祁紅之鄉,祁門縣經濟開發區。是一家專業致力于電力半導體器件生產及研發的國家高新技術企業,企業自成立之日起始終堅持...
產品中心
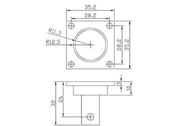
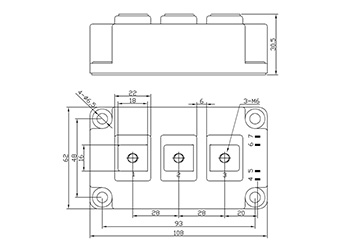
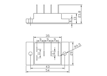
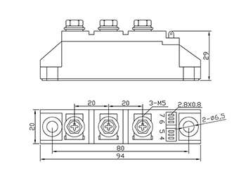
功率模塊
電焊機模塊
整流橋模塊
光伏防反二極管模塊
快恢復模塊
勵磁發電機專用模塊
平板式半導體器件
更多分類
企業商訊
-
整流橋模塊的內部結構分析
整流橋模塊作為一種功率元器件,廣泛應用于各種電源設備。 其內部主要是由四個二極管組成的橋路來實現把輸入的交流電壓轉化為輸...
-
晶閘管的工作原理
晶閘管(Thyristor)是晶體閘流管的簡稱,又被稱做可控硅整流器,以前被簡稱為可控硅;1957年美國通用電氣公司開發...
-
橋式整流器原理及作用
橋式整流器品種多:有扁形、圓形、方形、板凳形(分直插與貼片)等,有GPP與O/J結構之分。較大整流電流從0.5A到100...
-
防反二極管模塊的優勢有哪些
大家都知道,二極管模塊是有很多的種類的,其中防反二極管模塊就是其中的一種,它也叫做防止反充的一種二極管,就是能夠避免電流...
-
- 為何現在晶閘管模塊備受關注?
- 目前很多設備上都在使用晶閘管模塊,這是因為在繁多的模塊中晶閘管的優勢更為明顯。無論是焊接機還是其他設...
-
- 晶閘管模塊的保護與容量擴展有哪些要求呢?
- 由于晶閘管模塊的較差的過載能力,短期的過電壓或過電流可能會導致其損壞。盡管在選擇晶閘管模塊時有必要合...
-
- 電力半導體模塊的發展趨勢
- (1)電力電子半導體模塊化:模塊化,按起初的定義是把兩個或兩個以上的電力半導體芯片按一定的電路結構相...
企業名片























































































